YAH系列空气处理机组
-
约克YAH系列吊顶式空气处理机组是中央空调末端装置。其功能是对空气进行降温冷却,去湿干燥、加热、等焓加湿、过滤净化以及作为新风机组等。机组将处过的空气通过风管送到一定距离的地方, 特别适用于小型商业办公大楼和工业应用的空调工程。
-
约克YAH系列空气处理机组提供13种型号供客户选择,每种型号均有多种排管方式供选择。冷量从5kW到252kW,风量从1000m3 /h到15000m3
/h。约克YAH01A到06A型号机组采用外转子离心式风机,额定机外全压范围为100-235Pa,约克YAH1FB到15B型号机组采用皮带传动离心式风机,额定机外全压范围为120-315Pa。可提供更多机外全压满足各种需要。
-
机组的结构形式为镀锌钢板箱内贴保温棉,外挂板式尼龙网过滤器。冷热盘管均采用铜管套双曲波纹片,风机和电机,皮带轮均选用优质产品,性能稳定、高效,风机采用双进风离心前倾多翼风机,外转子电机,防护等级IP54,,F级绝缘。闭式三相异步电机,防护等级IP55,F级绝缘,电源380V/3N~/50Hz,轴承无需润滑。外挂过滤器既可以从侧面取出,也可以从下面取出。
-
本系列机组具有安装方便、使用简单、占用建筑面积小、噪声小、冷量大、送风距离远、价格合理等特点。
机组命名 – YAH04 BSN000000L1E0
主要技术参数表
YAH湿膜加湿器性能参数表
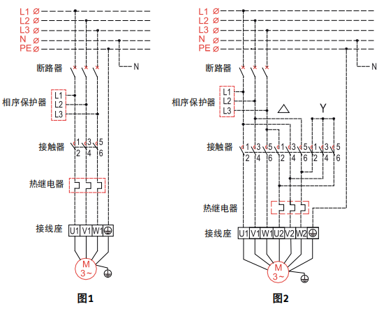
电气接线图

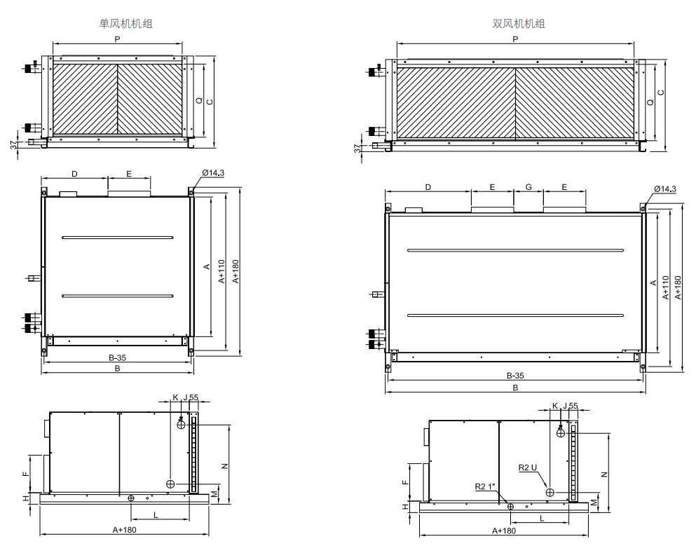
外形尺寸表